您的位置:首页 > 二手 > 叉车整机 > 内燃平衡重式叉车 > 液化气平衡重式叉车 > 产品详情

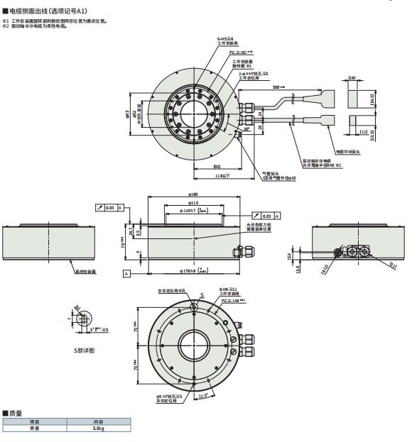
DDACR无规格电缸IAI直驱马达

DDACR无规格电缸IAI直驱马达

  • 品牌:日本takuma精工
  • 发动机类型:国产
  • 动力方式:柴油
  • 轮胎类型:实心轮胎
  • 停放地点:中国广东省深圳市
  • 更新时间:2024-09-09 14:23

普通商家

产品详情

产品图片

DDACR无规格电缸IAI直驱马达

直驱马达

兴恒安智能科技(深圳)有限公司,专注于工业机器人产品和自动化设备研发、生产和销售,为客户提供自动化整体解决方案。主要产品:电缸、机械手、工业机器人、直线电机、DD马达、工业传感器 、伺服压机拧紧机、工业相机以及非标设备。产品广泛应用于:电脑、通讯、消费电子、汽车、制造等产业中的点胶、涂胶、装配、检测、搬运、切割、上下料、钻孔、焊锡、抛光、包装等领域。根据客户的要求定制适合客户的机型,解决客户人工成本高、招工难等实际问题,以可持续性为客户提供更好的服务,进而帮助客户提高市场核心竞争力。